Close window

Ace Fast Blinds
Photo of Arch Top Shades
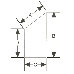
Diagram of how to measure for Angle top shades
Diagram of how to measure for Angle top shades
    Angle Top Shades
  • For any Angle Top Shade, please supply all 4 measurements (A,B,C & D) as shown above.
  • Maximum width (Diagram C) is 60"
  • Specify "Straight-Bottom" or "Angle Bottom" valance.
  • The shade can only be raised to the bottom edge of the valance. The top portion is stationary.
  • The factory will automatically deduct 1/2" from the width for an inside mount.
  • Price an Angle Top Shade using the straight width (C) and the tallest height (B) from the standard price chart .
  • Please check the Pattern Compatibility Chart before placing your order.
  • Pulley and Cord Cleat Only, the Angle Top Shade cannot be operated with a standard cord lock or any other control mechanisms.
  • All Angle Top Shades must be trimmed in gimp. The best color will be determined by the factory.
Arch Top Shades
Diagram of how to measure for arch top shades
Diagram of how to measure for arch top shades
    Arch Top Shades
    Stationary Arches
  • A template is required for all Arch Top Shades and Stationary Arches
  • For all Arch Top Shades ordered inside mount, the factory will make the arch portion to fit the template exactly and deduct 1/2" from the width of the shade portion.
  • For all Stationary Arches ordered inside mount, the factory will make the arch to fit the template exactly.
  • Stationary Arches do not raise or lower.
  • Arch Top Shades will only raise to the bottom of the valance. The top portion is stationary.
  • To price an Arch Top Shade, use the shade width and the total height of the unit (including the arch) and price from the standard shade price chart.
  • Maximum width of Arch Top Shades & Stationary Arches is 60"
  • Please check the Pattern Compatibility Chart before placing your order.
  • Pulley and Cord Cleat Only, the arch top shade cannot be operated with a standard cord lock or any other control mechanisms.
  • All Arches must be trimmed in gimp. The best color will be determined by the factory.
©Ace Fast Blinds - Phone: (866) 5-Buy Ace
Return Home

Shop www.acefastblinds.com today!

[Wood Blinds] [Faux Wood Blinds] [Woven Wood Blinds] [Bamboo Shades] [Sliding Panels]
[Wood Arches] [Faux Wood Arches] [Plantation Blinds] [Roman Shades] [Shutter Blinds]
[Aluminum Blinds] [Mini Blinds] [Cellular Shades] [Vertical Blinds] [Roller Shades]